INNOVATIVE TECHNOLOGIEN 
Die Impuls-Leistungselektronik von RZ-IT

Innovative Impulstechnologie---------- 

AEZBX.jfif

 

Die Impuls-Leistungselektronik verdoppelt die Batteriespannung oder Photovoltaikleistung bis Megawatt.

 

Das grundlegende Schaltbild, hier unvollständig.

 

 

RZITB.jfif
t183-pol_m.jpg





 

Leistungsoptimierer mit 5000 A Thy, Aufbauskizze.
4 Stück Hochleistungsthyristoren 5000 Ampere, 200V - 1000 V, Durchmesser 120 mm
Steuereinheit separat,  Ausgangsleistung bedienbar von Null bis Maximum
Elektrolytkondensatoren werden zusätzlich angeschlossen.
Wirkungsgrad 180%.

 



 





 

STROMK..jfif
RZ-IT-System.JPG
LO = Leistungsoptimierung
BATTCON (2).jfif
BHKW-.jfif


Ein Leistungsoptimierer(LO) entnimmt aus 230 V/AC 10 ms Stromimpulse mit 50 Hz, die dauerdner der Impul- und Pausezeit sind gleich. Nur mit einem Oszilloskop sichtbar, mit integrierte Verzögerungsschleife für weniger als 10 ms ausgelegt. 
Fertig montierte Anlagen für die Wasserelektrolyse werden im Handel preisgünstig angeboten. Die Impuls- Leistungsoptimierung kann als Modul nachträglich integriert werden.

Der hohe Stromverbrauch durch die Wasserelektrolyse erzeugt eine hohe Lufttemperatur die in Fernwärmenetz angeschlossen wird, dadurch so einen hohen finanziellen Gewinn erbringt.

 


Diff (1).jfif
SAM_1193.JPG

Mini-Leistungsoptimierer(LO), Digit-Leistungsverstärker,
 eine zukunftsweisende Weltneuheit.
 Im schwarzem Gehäuse sind keine Transistoren, Thyristoren oder Spulen eingebaut.


 Ohne LO kann eine 1,5 V Batterie nicht zum Leuchten bringen.                                 

 1,5Volt Batterie mit nur 12 LED parallel:

 Ausgangsleistung: 98 mA 3,1 Volt, auch mit 24 LED möglich.
 Leistungsgewinn durch Spannungsverdopplung.
 Diese Leistungserhöhung ist nur mit Impulstechnologien möglich

 
 

 



 

Wechselstrom 230 V/AC werden mit 50 Hz Steuerungsfrequenz 10 ms Stromimpulse entnommen, die mit Digital-Messinstrumenten nicht korrekt messbar. Ist die Impuls- und Pausenzeit gleich, wird das Ergebnis durch zwei dividiert.

Mit einem Oszilloskop sichtbar, wenn die integrierte Verzögerungsschleife für weniger als 10 ms ausgelegt ist.

 

 



ACPQ8-22 ein Leistungsoptimierer(LO), ohne Verbraucher und Leerlaufspannung, kein Strom.
12 Volt (DC) Autobatterie Eingangsspannung
48-72 Volt (DC) Ausgangsspannung

ACOQ4-22, Leistungsoptimierer, ohne Verbraucher kein Strom

230 Volt (AC) Netz-Eingangsspannung + Filter

1300 Volt (DC) Ausgangs-Gleichspannung

 

 





 

NEU
Leistungsoptimierer-Neuentwicklung 05.01.2023.

Ausgangsleistung mit verfügbarem Stromwert-Maximum am Eingang

PQRZ4000
90 V/DC Eingangsspannung
267 V/DC Ausgangsspannung
Wirkungsgrad 296 %


PQRZAC
230 V/AC Eingangsspannung
1300 V/DC Ausgangsspannung
Wirkungsgrad 400 %


​Die noch ungeahnten und noch nicht erkannten möglichen Entwicklungen in der Elektronik werden mit der Zeit erkennbar allgemein, insbesondere mit Wasserstoffantrieb für die Mobilität und in der Industrie
 

 

 






 

DSC00178.JPG



ACRZ 8 ein Novum in der Elektrotechnik, bestückt mit nur 5 Dioden 6 Ampere 1000 V, keine Transistoren keine Thyristoren, im Bild ohne Kondensatoren.


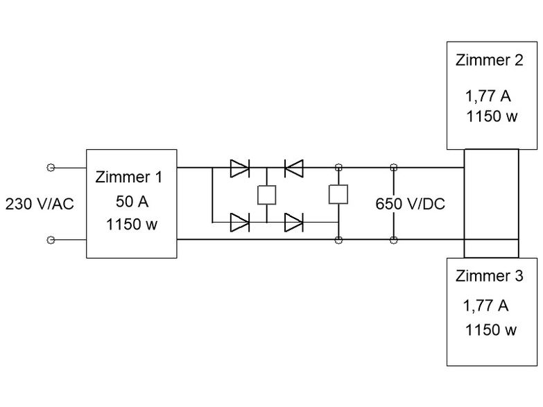
230 V/AC * 16 A = 3680 Watt 

Gleichrichter ACPZ 8 mit 5 Stück 50 A Dioden:
Ausgangsspannung 650 V/DC

650 V/DC * 16 A = 10400 Watt
 

10400 - 3680 = 6720 * 100 = 672000/10400 = 64,61 % Leistungsgewinn

Beispiel:
Mit 650 V/DC werden drei Heizgeräte Reihe geschaltet, 650 / 3 = 216 V/DC pro Gerät.


 

 

 



 

TEST 34X Impuls-Leistungsoptimierer, ein provisorisches Modell für Demonstrationszwecke.


Eingangsspannung 230 V/AC 

Ausgangsspannung 650 V/DC belastet mit 6 Stück 1000 Watt Halogen in Serie
ergibt:

230 V/AC 356,2 Watt ohne TEST 34X

mit 34X:

573 V/DC 1449 Watt

Wirkungsgrad 411%




 

1 (2)..jpg





Oszilloskop-Bildaufnahme zeigen den Spannungsabfall von 575 V mit Steuerimpulse in 50 Hz-Taktfrequenz, der durch die Belastung der Stromimpulsen am 26 Ohm-Verbraucher eins LO im 230 V/AC Netzbetrieb entstehen.
Ausgangs-Gleichspannung 575 V/DC
Verbraucherwiderstand 26 Ohm, 2,66 A

Ohne Verbraucher, Leerlauspannung 657 V/DC


 
 

 

21+ (9).jpg

Entsprechend die entnommenen Stromimpulsen des am Eingang angeschlossenen Stromgebers, wie Photovoltaik Module (LOD), Batterie, Brennstozelle.




 

ACPQ-XD (1).jpg
ACPQ-XDK..jpg

 

Die Anwendung der digitalisierten hocheffizienten Impuls-Leistungselektronik als Ergänzung zur konventionellen analogen Elektrotechnik hilft Energie zu sparen.

Eine Funktionsbeschreibung der Impulstechnologie mit der effektiven Impuls-Leistungselektronik
ist nicht veröffentlicht und in der Fachliteratur auch nicht beschrieben, sowie allgemein weltweit
noch nicht marktfähig angewendet. Dennoch ist anzunehmen, dass diese sehr einfache Funktion

in der Elektronikpraxis bekannt sein muss.
Die Funktionsbeschreibung erklärt für jeden Elektroniker verständlich, vom Einschalten eines Gerätes ab wie eine Verdopplung der am Eingang angelegten Gleichspannung einer beliebigen Spannungsquelle zustande kommt.

Ein Impuls-Leistungselektronik-Gerät, verbraucht im eingeschalteten Zustand keinen Strom,
Strom fließt nur dann, wenn ein Verbraucher am Ausgang des Gerätes mit der verdoppelten Spannung angeschlossen ist.
Stromimpulse in ms werden mit einem Oszilloskop direkt am Pluspol einer Spannungsquelle, z.B. einer Batterie, gemessen.
Mit einem eingesetzten Thyristor-Bauteil wird der Stromfluss zum Verbraucher von Null bis Maximum eingestellt.


 

RZWRD.jpg
 unkonvntionelle Impuls-Leistungselektronik mit der fantastische Option Leistung zu Gewinnen, ist eine nützliche Weltneuheit für die Umwelt.

 

Der hier vorgestellte Leistungsoptimierer (LO) als Spannungsverdoppler, Skizze rechts im Bild mit vier Dioden und Kondensatoren, ist eine Erfindung und in der Fachliteratur nicht publiziert oder angewendet. Die Spannung jeder Spannungsquelle wird verdoppelt und mit dem höchst verfügbaren Stromwert Leistungsgewinn erreicht. Nicht vergleichbar mit der bekannten Greinacher-Schaltung  wie mit 25.000 V in den alten Farb-Fernsehegeräte mit der Braunsche-Röhre.
 

Aus Netzspannung 230 V/AC nur mit Halbleiterdioden und Glättungskondensatoren 650 V/DC Gleichspannung mit dem maximal verfügbaren Stromwert zu erzeugen und ist weltweit noch unbekannt:

 

230 V/AC * 1,414 (Wurzel aus zwei) = 325 V/DC * 2 = 650 V/DC  
230 V/AC Effektivspannung
325 V/DC Spitzenspannung 
650 V/DC durch die Impulstechnologie verdoppelte Spitzenspannung
​Leistungsunterschied:
​16 Ampere * 230 V/AC = 3,68 Kilowatt  
​16 Ampere * 650 V/DC = 10,4 Kilowatt, Wirkungsgrad 283%

Leistungsgewinn 6720 Wh für Anwendungen aller Art und ist nur durch eine Spannungserhöhung mit Impulstechnologie realisierbar, auch im Megawatt möglich.


Nur wenn ein Verbraucher an 650 V angeschlossen ist, entnimmt die Diodenformation der Netzspannung in 50 Hz-Takt und 10 Millisekunden Stromimpulse, die nach Umsetzung als Gleichstrom dem Verbraucher im Sekundärkreislauf zufließen.

Ohne Verbraucher, induktiv oder ohmisch, fließt im System kein Strom.

 


H2PVS..jfif
SAM_0046 - Kopie.JPG



Vorführungen in Südkorea, Korea Fuel Cell Enery Co., Ltd., sjung@[email protected],

dass ein Brennstoffzellengenerator mit integriertem Leistungsoptimierer haben gezeigt,​ das bei gleicher Leistung ca. 60 % weniger Wasserstoff verbraucht.

Angeschlossene Brennstoffzelle im Mittelwert 350 W,

Ausgangsleistung mit LO3-Optimierer Ausgangsleistung 230 V/AC >2,2 Kilowatt.

Im Bild Leistungsoptimierer mit Brennstoffzellengenerator,

unten Vorführraum mit 230 V Leuchtkörper als Verbraucher.

 

SAM_0045.JPG












 
Leuchtkörper als Lastwiderstand  



 

SAM_1223.JPG
DSC00179.JPG





Analog-Hochstromwchselrichter WRRZ 600

Bis 1200 Volt und 600 Ampere

800.jpg
PV-DC.JPG
   Empfohlene Symbole in der Impulstechnologie


 

Andre (1).jfif
SAM_0124.JPG
50 Hz Rundeckgenerator, eine Variante mit Netzspannungsgleichrichter. 
Rundeck.jfif